
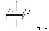
1-1. 電容器的基本原理電容器的基本原理可以用圖1-1來描述
當在兩個正對的金屬電極上施加電壓時,電荷將據電壓的大小被儲存起來
![]()
|
|
Q=CV Q:電量( C ) V:電壓(V ) C:電容量(F C:電容器的電容量,可以由電極面積S [m2],介質厚度t [m]以及相對介電常數ε來表示 C[F]= ε0?ε?S/t ε0:介質在真空狀態下的介電常數(=8.85x10-12 F/M) 鋁氧化膜的相對介電常數為7~8,要想獲得更大的電容,可以通過增加表面積S或者減少其厚度t來獲得。 表1-1列出了電容器中常用的幾種典型的介質的相對介電常數,在很多情況下,電容器的命名通常是根據介質所使用的材料來決定的,例如:鋁電解電容器、鉭電容器等。 表 1-1 |
|
介質
|
相對介電常數
|
介質
|
相對介電常數
|
|
鋁氧化膜
|
7 ~ 8
|
陶瓷
|
10~120
|
|
薄膜樹脂
|
3.2
|
聚苯乙烯
|
2.5
|
|
云母
|
6 ~ 8
|
鉭氧化膜
|
10 ~20
|
|
雖然鋁電解電容器非常小,但它具有相對較大的電容量,因為其通過電化學腐蝕后,電極箔的表面積被擴大了,并且它的介質氧化膜非常薄。 圖1-2形象地描述了鋁電解電容器的基本組成。 |
![]()
|
|
1-2電容器的等效電路 電容器的等效電路圖可由下圖2表示 |
![]()
|
|
R1:電極和引出端子的電阻 R2:陽極氧化膜和電解質的電阻 R3:損壞的陽極氧化膜的絕緣電阻 D1:具有單向導電性的陽極氧化膜 C1:陽極箔的容量 C2:陰極箔的容量 L :電極及引線端子等所引起的等效電感量 1-3基本的電性能 1-3-1 電容量 電容器的由測量交流容量時所呈現的阻抗決定。交流電容量隨頻率、電壓以及測量方法的變化而變化。鋁電解電容器的容量隨頻率的增加而減小。 和頻率一樣,測量時的溫度對電容器的容量有一定的影響。隨著測量溫度的下降,電容量會變小。 另一方面,直流電容量,可通過施加直流電壓而測量其電荷得到,在常溫下容量比交流稍微的大一點,并且具有更優越的穩定特性。 1-3-2 Tan δ(損耗角正切) 在等效電路中,串聯等效電阻ESR同容抗1/ wC之比稱之為Tan δ,其測量條件與電容量相同。 |
![]()
|
|
tan δ =RESR/ (1/wC)= wC RESR 其中:RESR=ESR(120 Hz) w=2πf f=120Hz tan δ隨著測量頻率的增加而變大,隨測量溫度的下降而增大。 阻抗(Z): 在特定的頻率下,阻礙交流電通過的電阻就是所謂的阻抗(Z)。它與容量以及電感密切相關,并且與等效串聯電阻ESR也有關系。具體表達式如下: ![]() ![]() 其中:Xc=1/ wC=1/ 2πfC XL=wL=2πfL 漏電流: 電容器的介質對直流電具有很大的阻礙作用。然而,由于鋁氧化膜介質上浸有電解液,在施加電壓時,重新形成以及修復氧化膜的時候會產生一種很小的稱之為漏電流的電流,剛施加電壓時,漏電流較大,隨著時間的延長,漏電流會逐漸減小并最終保持穩定。 |
|
|